Search
Menu
About US
Products
Advantages
Menu
Provincial Inspection
Advanced Technology
Single Pump Design
Production Base
Energy
Projects
News
Contact US
中文
Submersible Sewage Pump
Products
Index
>
Products
>
Submersible Sewage Pump
Exhibition Hall
Submersible Axial / Mixed Flow Pump
Full Flow Pump / Gate Pump
Single / Bi-Directional Full Flow Pump
Permanent Magnet Flood Control Pump / Pump Truck
Integrated Pump Gate
Gate / Hoist
Integrated Axial Flow Pump Station
Integrated Pump Station
Integrated Smart Pump Boat
Submersible Sewage Pump
Screw Centrifugal Pump
Mixing & Propelling Equipment
Brand Mud Pump / Hose
Mining / Seawater Submersible Pump
Shredder Grating
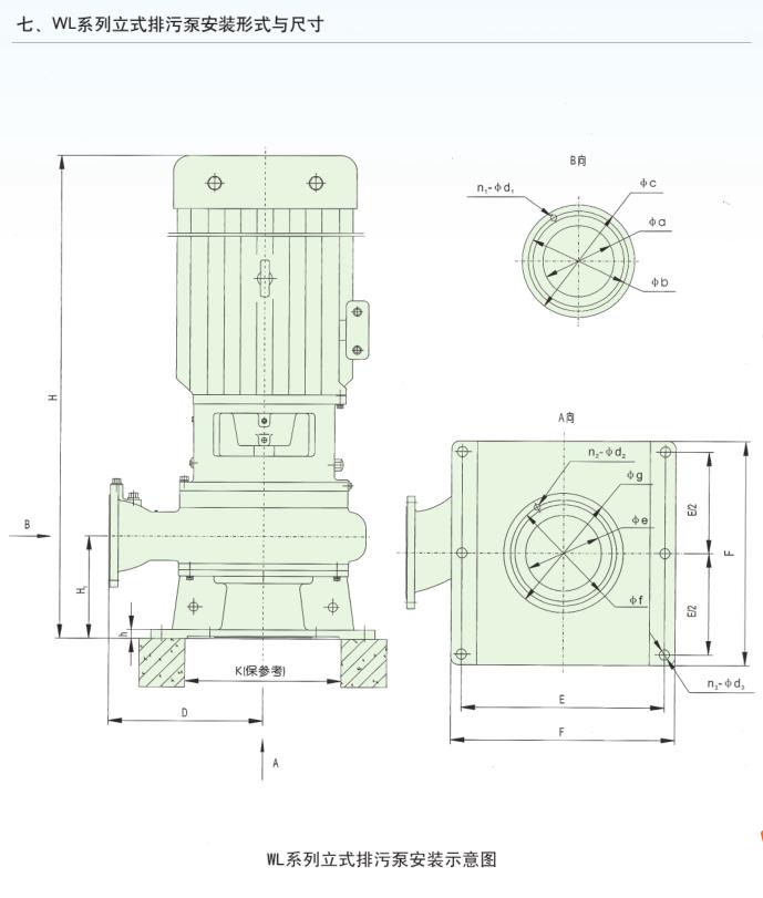
Vertical Sewage PUMPSs
Detailed explanation:
prev_page:
Stainless Steel Submersible Sewage PUMPSs
next_page:none;